Гидроклапаны вилочного погрузчика
Гидравлические клапаны для управления подъемом вил, наклоном, перемещением вперед и назад, а также боковым перемещением вилочного погрузчика
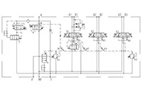
Гидроклапаны вилочного погрузчика
Гидравлические клапаны для управления подъемом вил, наклоном, перемещением вперед и назад, а также боковым перемещением вилочного погрузчика
Наши блоки гидравлических клапанов для вилочных погрузчиков разработаны для управления полным спектром гидравлических функций погрузчиков грузоподъемностью до 3,5 тонн, включая подъем, наклон мачты, движение вперед и назад, боковое смещение и управление дополнительным навесным оборудованием. Кроме стандартных функций, наши гидравлические клапаны могут быть адаптированы для интеграции дополнительных опций, таких как приоритет рулевого управления, двойной противовес и контроль OPS (обнаружения присутствия оператора), что позволяет удовлетворить широкий спектр эксплуатационных требований.
- Модульная компактная конструкция, обеспечивающая безопасную и надежную работу
- Патентованная конструкция с интегрированными опциями OPS и приоритета рулевого управления для повышенной универсальности
- Низкие потери давления и высокая эффективность, снижающие энергопотребление и увеличивающее время работы погрузчика
| Макс. рабочее давление | 280 бар |
| Номинальный расход гидравлического масла | 90 л/мин |
| Температура гидравлического масла | -30℃~100℃ |
| Приемлемая температура окружающей среды | -30℃~50℃ |
| Вязкость гидравлического масла | ISO 20~400 мм²/с |
Данные клапаны отлично подходят для электрических вилочных погрузчиков с противовесом и электрических ричтраков и дают возможности для электропропорционального точного управление подъемом и опусканием вил, наклоном мачты вперед и назад, боковым перемещением и креплением, обеспечивая плавное и эффективное управление вилочным погрузчиком в условиях погрузочно-разгрузочных работ.
















