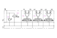
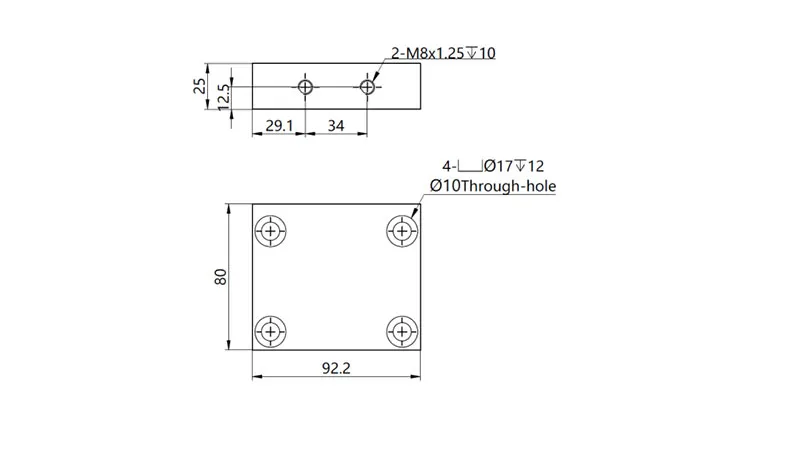
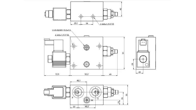
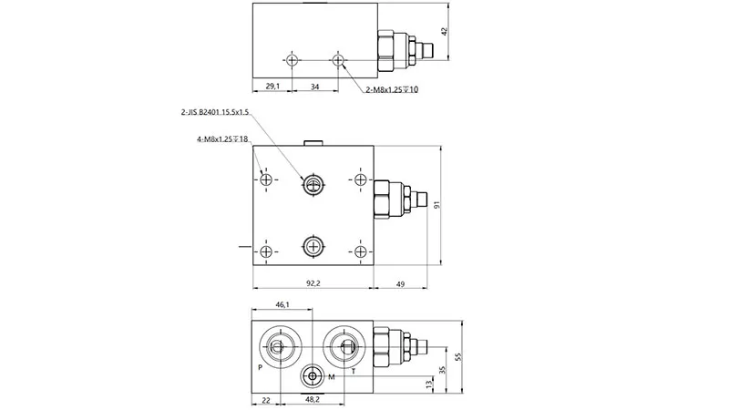
Секционный гидрораспределитель SMWV-10
Гидравлический многоканальный распределитель для управления потоком жидкости в различной промышленной и сельскохозяйственной технике
SMWV-10 Секционный гидрораспределитель
Гидравлический многоканальный распределитель для управления потоком жидкости в различной промышленной и сельскохозяйственной технике
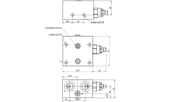
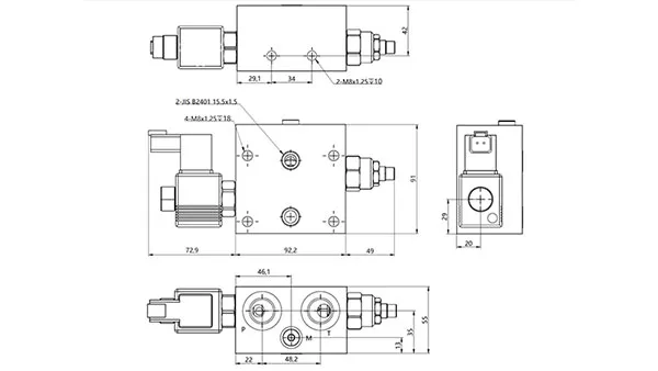
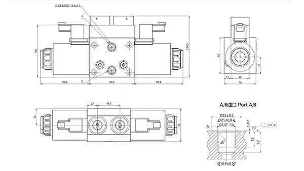
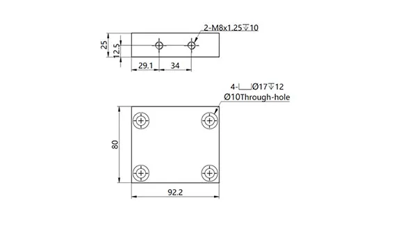
Секционный гидравлический распределительный клапан SMWV-010 разработан для высокопроизводительных гидравлических систем, обеспечивая точное управление потоком жидкости для крупной и мощной техники. Как и другие клапаны серии SMWV, он использует электромагнитный механизм золотника для точного управления потоком, но при этом специально сконструирован для обработки более высоких расходов и тяжелых рабочих нагрузок. Блок управления гидравлическим клапаном оснащен соленоидом постоянного тока мокрого типа, полностью герметизированным и изолированным для плавного движения якоря в масле. Такая конструкция снижает механический износ, смягчает гидравлический удар и улучшает теплоотвод, что дает секционному гидрораспределителю высоконадежную коммутационную производительность и увеличенный срок службы. Литые внутренние каналы для гидравлической жидкости минимизируют потери давления и максимизируют общую эффективность гидравлического распределителя, поддерживая различные операции с высокой нагрузкой.
- Модульная компактная конструкция, позволяющая создавать многомодульные комбинации для масштабируемого гидравлического управления
- Встроенная конструкция гидравлического замка, упрощающая систему цепи и обеспечивающая безопасную и надежную работу
- Низкие потери давления и высокая эффективность, снижающие общее энергопотребление тяжелой техники
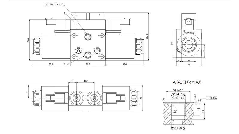
| Номинальное давление | 315 бар |
| Номинальный расход | 80 л/мин |
| Температура гидравлического масла | -40℃~120℃ |
| Уровень загрязнения | ISO 4406 CLASS 20/18/15 |
| Обработка поверхности | Никелирование |
| Вязкость гидравлического масла | ISO 20~400 мм²/с |
Секционный золотниковый гидрораспределитель обычно используется в уборочной технике, подъемниках и коммунальной технике, требующих обработки значительных потоков гидравлических жидкостей:
- Уборочная техника (например, зерноуборочные комбайны): Синхронно управляет высотой жатки, скоростью вращения барабана и механизмами очистки, адаптируясь к изменениям нагрузки в полевых условиях
- Подъемные рабочие платформы (например, многосекционные коленчатые подъемники): Обеспечивает точное управление выдвижением многосекционной стрелы, выравниванием платформы и вращением для стабильных и безопасных работ на высоте
- Коммунальная техника (например, мусоровозы-уплотнители): Координирует подъем контейнера, движение уплотнительной плиты и управление баком для сточных вод для плавной и надежной работы
























