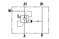
MCBS Односторонний уравновешивающий клапан
MCBS Односторонний уравновешивающий клапан
- Модульная конструкция с компактным исполнением, обеспечивающая безопасную и надежную работу
- Снижает гидравлические удары при открытии и закрытии, поддерживая стабильное управление давлением
- Универсальный монтаж для адаптации к широкому спектру техники и системных конфигураций гидравлических механизмов
Варианты модели
| Модель | Давление | Расход |
| Односторонний уравновешивающий клапан MCBS-08 | 350 бар | 40 л/мин |
| Односторонний уравновешивающий клапан MCBS-10 | 350 бар | 70 л/мин |
| Односторонний уравновешивающий клапан MCBS-12 | 350 бар | 110 л/мин |
Технические параметры
| Рабочее давление | 350 бар |
| Номинальный расход | 40/70/110 л/мин |
| Температура гидравлического масла | -30℃~100℃ |
| Приемлемая температура окружающей среды | -20℃~80℃ |
| Материал клапана | Высокопрочный чугун (опционально: алюминиевый сплав, углеродистая сталь) |
| Вязкость гидравлического масла | ISO 20~400 мм²/с |
Кривая производительности
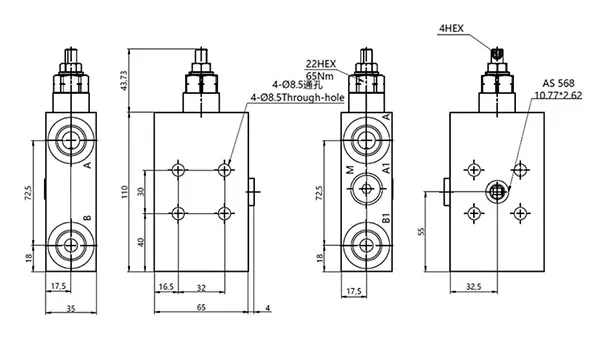
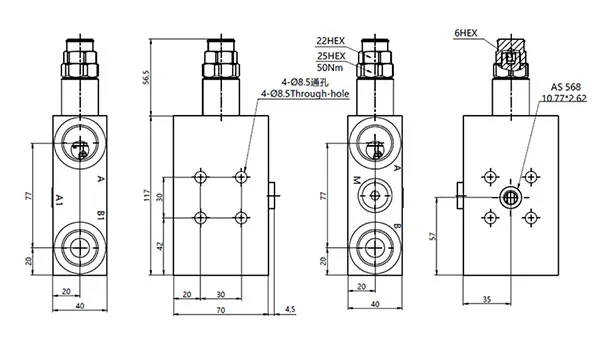
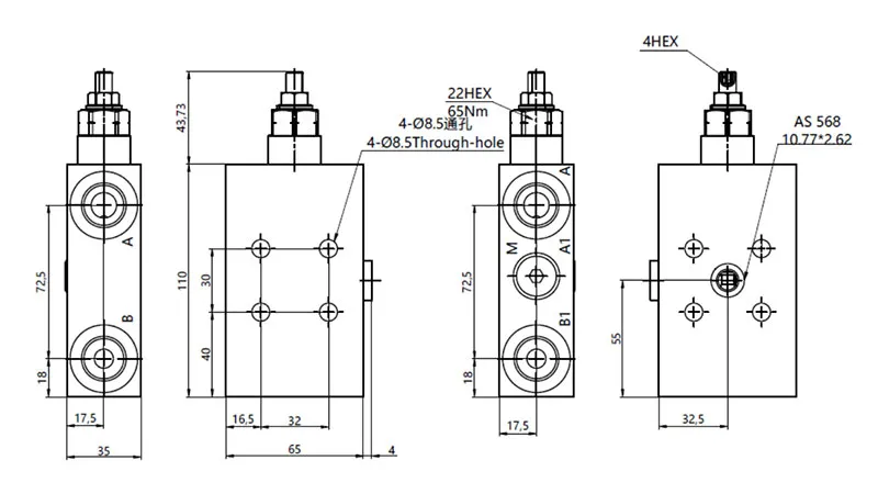
Чертежи монтажных размеров
Варианты применения
Наш одиночный уравновешивающий гидравлический клапан предназначен для поддержания стабильности нагрузки и плавного перемещения привода. Данный гидравлический клапан широко используется в:
- Автогрейдерах: Обеспечивает стабильное движение и надежное позиционирование отвала во время планировочных работ.
- Погрузчиках: Предотвращает нестабильность или внезапную остановку стабилизаторов и телескопических секций, гарантируя безопасное и плавное движение.
- Рабочих платформах: Сводит к минимуму нежелательное движение стрелы, предотвращая резкие изменения при подъеме, выдвижении или повороте для повышения безопасности оператора.
- Бетономашалках: Поддерживает плавные, контролируемые движения стрелы во время бетонных работ, исключая резкие или нестабильные действия.


























