Клапан самовыравнивания N1
N1 Клапан самовыравнивания
- Усовершенствованная эргономичная конструкция гарантирует бесперебойное функционирование системы автонивелирования в рабочих условиях
- Протестирован на заводе-изготовителе на устойчивость к более чем 1 000 000 циклов нагрузок с подтвержденным соответствием строгим нормативам эксплуатационных характеристик
Варианты применения
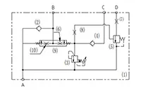
Самовыравнивающийся клапан широко применяется в шарнирно-сочлененных погрузчиках, обеспечивая точное регулирование подъема стрелы и автоматическую стабилизацию ковша, что повышает маневренность и производительность техники.
Технические параметры
| Макс. рабочее давление | 210 бар |
| Номинальный расход | 60 л/мин |
| Температура гидравлического масла | -20℃~80℃ |
| Приемлемая температура окружающей среды | -20℃~80℃ |
| Обработка поверхности | Никелирование |
| Вязкость гидравлического масла | ISO 20~400 мм²/с |


















