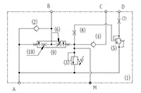
Клапан самовыравнивания W
W Клапан самовыравнивания
- Оптимизированная, компактная конструкция для стабильного и надежного самовыравнивания во время эксплуатации
- Заводские испытания с более чем миллионом циклов долговечности и подтверждением соответствия высоким стандартам производительности
Варианты применения
Самовыравнивающийся клапан широко используется в погрузчиках с бортовым поворотом, обеспечивая точное управление подъемом стрелы и автоматическое выравнивание ковша, повышая точность погрузочно-разгрузочных работ и эффективность работы.
Технические параметры
| Макс. рабочее давление | 200 бар |
| Номинальный расход | 80 л/мин |
| Температура гидравлического масла | -20℃~80℃ |
| Приемлемая температура окружающей среды | -20℃~80℃ |
| Обработка поверхности | Никелирование |
| Вязкость гидравлического масла | ISO 20~400 мм²/с |


















