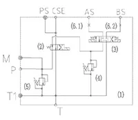
MCM-E Распределительный клапан электропривода ножничного подъемника
Блоки гидравлических клапанов для плавного управления подъемом, опусканием и перемещением ножничного подъемника с электроприводом
MCM-E Распределительный клапан электропривода ножничного подъемника
Блоки гидравлических клапанов для плавного управления подъемом, опусканием и перемещением ножничного подъемника с электроприводом
- Компактная и модульная конструкция для безопасного и надежного управления гидравлическими механизмами системы
- Запатентованная конструкция со встроенным противоовесным клапаном хода для повышения общей устойчивости ножничной платформы
- Конструкция в высокоэффективном исполнении снижает энергопотребление, увеличивая время работы машины
Варианты применения
Спроектированный для электрических ножничных подъемных платформ, данный гидравлический распределитель обеспечивает плавный подъем и опускание, а также точное управление поворотом, повышая безопасность, устойчивость и эффективность ножничного подъемника при высотных работах.
Технические параметры
| Макс. рабочее давление | 250 бар |
| Номинальный расход гидравлического масла | 20 л/мин |
| Напряжение | 20В постоянного тока±10% |
| Температура гидравлического масла | -30℃~110℃ |
| Приемлемая температура окружающей среды | -30℃~110℃ |
| Вязкость гидравлического масла | ISO 20~400 мм²/с |





















