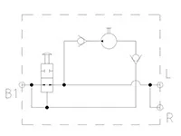
ESL Клапан растормаживания
Блоки гидравлических клапанов для плавного управления ножничным подъемником
ESL Клапан растормаживания
Блоки гидравлических клапанов для плавного управления ножничным подъемником
- Модульная компактная конструкция для безопасного и надежного гидравлического управления
- Патентованная конструкция гидравлического клапана торможения со встроенным противоовесным клапаном хода для повышения общей устойчивости платформы
- Высокоэффективное исполнение снижает энергопотребление, увеличивая время работы оборудования
Варианты применения
Клапан растормаживания используется преимущественно в гидравлических ножничных подъемниках, предлагая плавное и надежное управление аварийным растормаживанием во время движения. Данный гидравлический клапан гарантирует стабильную и долговечную работу подъемника и способствует общей эффективности функционирования всей системы.
Технические параметры
| Давление | 250 бар |
| Номинальный расход гидравлического масла | 2 мл/ход |
| Температура гидравлического масла | -20℃~100℃ |
| Приемлемая температура окружающей среды | -20℃~80℃ |
| Вязкость гидравлического масла | ISO 20~400 мм²/с |
| Внутренние утечки | 3~5 капель/мин |
| Вес клапана | 0.67 кг |





















