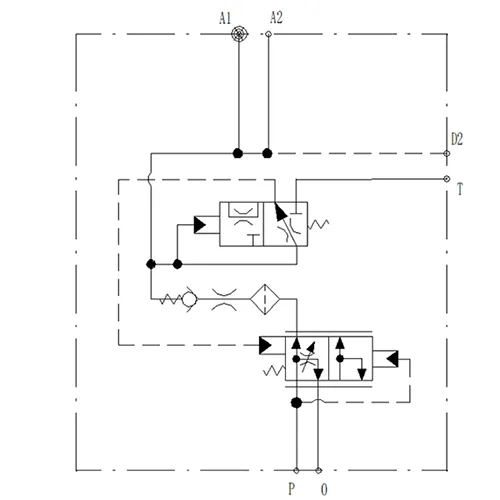
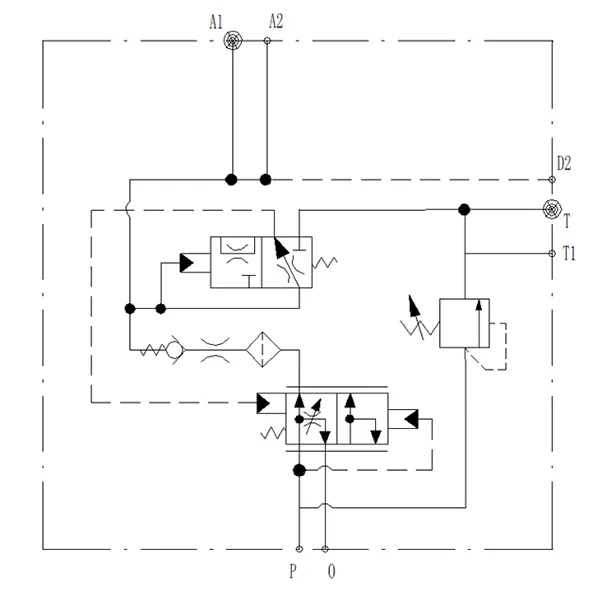
YSV-S Клапан зарядки аккумуляторов (одноконтурный)
YSV-S Клапан зарядки аккумуляторов (одноконтурный)
- Модульная конструкция для безопасной и надежной работы гидросистемы
- Низкая вероятность внутренних утечек, что повышает стабильность гидравлической системы
- Доступен в одно- и двухконтурном исполнении для плавной интеграции с аккумуляторными системами, что гарантирует эффективную работу всех гидравлических деталей
Клапаны зарядки аккумулятора широко используются в карьерных самосвалах, колесных транспортных средствах, колесных погрузчиках, экскаваторах-погрузчиках, автогрейдерах, тракторах, вилочных погрузчиках и телескопических кранах. Данные гидроклапаны гарантируют, что внутри мембранного (диафрагменного) аккумулятора будет поддерживаться достаточный запас идравлического масла под высоким давлением, что крайне важно для резервного энергоснабжения тормозной системы. Такая структура гарантирует эффективное аварийное торможение механизма даже в случае остановки двигателя, выхода из строя гидравлического насоса или неисправности основной системы тормозов.
В нормальных рабочих условиях гидравлический клапан зарядки предлагает мощное тормозное усилие, повышая как надежность, так и отказоустойчивость тормозных систем в тяжелой и мобильной технике.
| Скорость зарядки | 10 л/мин |
| Нижний предел давления | 114 бар |
| Верхний предел давления | 138 бар |
| Давление внутри системы | 210 бар |
| Номинальный расход гидравлического масла | 7.5~113.6 л/мин |
| Температура гидравлического масла | -20℃~120℃ |
| Приемлемая температура окружающей среды | -40℃~80℃ |
| Гидравлическая жидкость | Минеральное масло общего назначения (ISO 20~400 мм²/с) |






















