EPV Предохранительно-разгрузочный гидравлический клапан фланцевого монтажа
EPV Предохранительно-разгрузочный гидравлический клапан фланцевого монтажа
- Модульная конструкция с компактным размещением компонентов обеспечивает безопасное и надежное управление нагрузкой
- Минимизирует гидравлический удар при открывании и закрывании, поддерживая постоянный контроль давления
- Множество вариантов производительности, адаптируемых к различным требованиям к монтажу и типам оборудования
- Соответствует стандартам ISO 8643, гарантируя безопасность и гибкую совместимость при эксплуатации экскаваторов
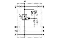
Фланцевый клапан контроля опускания груза предназначен для точного и безопасного управления нагрузкой в гидравлических приводах. При прямом потоке (A → A1) гидравлическая жидкость свободно проходит через встроенный обратный клапан к гидроцилиндру. При обратном потоке (A1 → A) нагрузочная секция гидравлического клапана блокирует или дросселирует движение жидкости, а золотник обеспечивает точное регулирование потока при открытии. Предохранительно-разгрузочный гидроклапан сохраняет нормально-закрытое положение и управляется дистанционно через пилотное давление, гарантируя стабильное удержание нагрузки независимо от ее веса.
Встроенный предохранительный клапан постоянно отслеживает давление в порту A1 и автоматически активируется при чрезмерной нагрузке или гидроударах для защиты гидравлической системы. При достаточном пилотном давлении золотник гидравлического клапана полностью открывается, обеспечивая плавный и регулируемый сброс давления из цилиндра через порт A и главный распределитель. Данная конструкция гарантирует точное регулирование движения, надежную защиту от перегрузок и повышенную безопасность эксплуатации тяжелой мобильной техники.
| Модель | Давление | Расход |
| Предохранительно-разгрузочный гидроклапан EPV-12 (правостороннее/левостороннее крепление) | 350 бар | 150 л/мин |
| Предохранительно-разгрузочный гидроклапан EPV-14 | 350 бар | 250 л/мин |
| Предохранительно-разгрузочный гидроклапан EPV-16 | 350 бар | 400 л/мин |
| Макс. рабочее давление | 350 бар |
| Пилотный коэффициент | 1:0 |
| Давление балансировочного клапана | 5-14 бар |
| Давление перепускного клапана | 200-400 бар |
| Температура гидравлического масла | -20℃~120℃ |
| Приемлемая температура окружающей среды | -40℃~80℃ |
| Гидравлическая жидкость | Обычное минеральное масло (ISO 20~400 мм²/с) |
Данный клапан контроля опускания груза, часто называемый противовзрывным клапаном, предназначен для использования на стрелах, рукоятях, ковшах экскаваторов и навесном оборудовании. Он обеспечивает удержание тяжелых грузов и предотвращает внезапные неконтролируемые движения в процессе работы, повышая безопасность оборудования и эксплуатационную стабильность в сложных условиях строительства и земляных работ:
- Предотвращает неожиданное опускание стрелы при разрыве гидравлической магистрали или утечке гидравлического масла через золотник
- Защищает стрелу от внезапного втягивания или выдвижения, вызванного внешними силами или утечкой в гидросистеме
- Предотвращает случайный наклон ковша при резком изменении нагрузки или повреждении шланга гидравлической жидкости
- Оберегает гидравлические молоты и другое навесное оборудование от ослабления или разрыва шлангов из-за ударов, предотвращая внезапное выдвижение или втягивание штока поршня





















