MPSB-MiE Гидрораспределительные блоки с пилотным управлением
Блок гидравлических клапанов с пилотным управлением для мини-экскаваторов
MPSB-MiE Гидрораспределительные блоки с пилотным управлением
Блок гидравлических клапанов с пилотным управлением для мини-экскаваторов
- Компактный дизайн обеспечивает простоту монтажа и экономию пространства
- Предлагает точный контроль давления и возможности для поддержания его на постоянном уровне в гидравлических контурах с пилотным управлением
- Оптимизированная конструкция сводит к минимуму шум при работе, обеспечивая более плавное и тихое управление машиной
Варианты применения
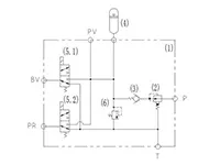
Разработанный специально для гидравлических систем мини-экскаваторов, этот блок гидравлических управляющих клапанов обеспечивает стабильную подачу чистого и регулируемого гидравлического масла низкого давления в систему управления техники. Наш гидравлический клапан с пилотным управлением поддерживает быстрое управление, предлагая операторам безопасную эксплуатацию и повышенную энергоэффективность для точного управления экскаватором в деликатных рабочих условиях.
Технические параметры
| Рабочее давление | 350 бар |
| Номинальный расход | 15 л/мин |
| Напряжение | 14В постоянного тока±15% |
| Температура гидравлического масла | -20℃~80℃ |
| Приемлемая температура окружающей среды | -20℃~80℃ |
| Вязкость гидравлического масла | ISO 20~400 мм²/с |



















