MPSB-SE Гидрораспределительный блок с пилотным управлением
Блок гидравлических клапанов с пилотным управлением для экскаваторов
MPSB-SE Гидрораспределительный блок с пилотным управлением
Блок гидравлических клапанов с пилотным управлением для экскаваторов
- Компактная конструкция для простоты монтажа и эффективного использования пространства
- Обеспечивает точное управление давлением и оборудован функцией удержания давления в пилотно управляемых гидравлических контурах
- Оптимизированная конструкция минимизирует рабочий шум, предлагая более плавное и тихое управление гидравлической системой техники
Варианты применения
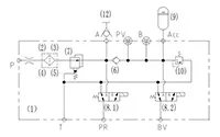
Наш гидрораспределительный блок гидравлических клапанов с пилотным управлением был разработан специально для стабильной подачи низконапорного гидравлического масла в пилотно управляемые системы управления экскаваторов. Данная модель гидравлического клапана предлагает пользователям отзывчивое управление, безопасную работу и повышенную энергоэффективность, позволяя операторам с различным уровнем подготовки легко сохранять точный контроль за техникой в любых рабочих условиях.
Технические параметры
| Рабочее давление | 350 бар |
| Номинальный расход | 15 л/мин |
| Напряжение | 14В постоянного тока±15% |
| Температура гидравлического масла | -20℃~80℃ |
| Приемлемая температура окружающей среды | -20℃~80℃ |
| Вязкость гидравлического масла | ISO 20~400 мм²/с |



















