MPCA Односторонний гидрозамок
MPCA Односторонний гидрозамок
- Модульный дизайн гидравлических блоков для надежной и безотказной работы в любых гидравлических системах
- Доступны различные варианты расхода и давления гидравлической жидкости, подходящие для разных требований к монтажу в широком спектре областей применения оборудования
Варианты модели
| Модель | Давление | Расход |
| Односторонний гидрозамок MPCA-08 | 210 бар | 30 л/мин |
| Односторонний гидрозамок MPCA-10 | 210 бар | 60 л/мин |
| Односторонний гидрозамок MPCA-12 | 210 бар | 100 л/мин |
Технические параметры
| Рабочее давление | 210 бар |
| Номинальный расход | 30/60/100 л/мин |
| Температура гидравлического масла | -30℃~100℃ |
| Приемлемая температура окружающей среды | -20℃~80℃ |
| Материал клапана | Алюминиевый сплав |
| Вязкость гидравлического масла | ISO 20~400 мм²/с |
Кривая производительности
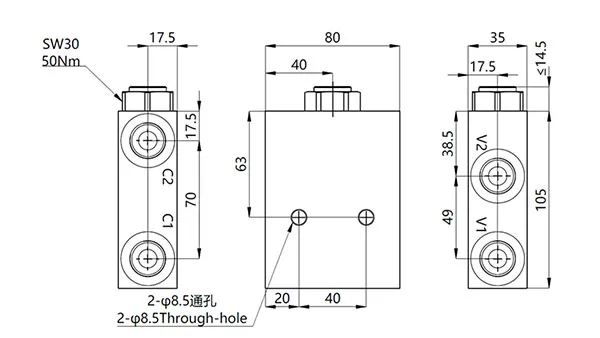
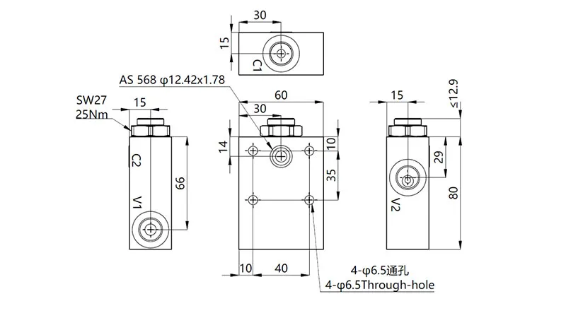
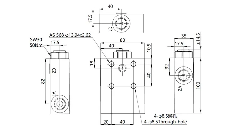
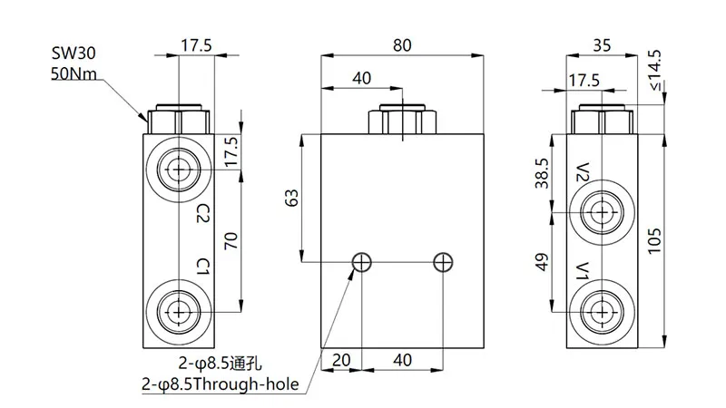
Чертежи монтажных размеров
Варианты применения
Односторонний пилотный обратный клапан (210 бар) используется в широком спектре строительной техники и оборудования для транспортировки материалов, обеспечивая надежную блокировку цилиндров и стабильность движения исполнительных механизмов. Часто используется в:
- Экскаваторная техника: Монтируется на бульдозерных отвалах, стрелах навесного оборудования и других ответственных узлах для фиксации положения гидроцилиндров и плавного перемещения, гарантируя безопасность и устойчивость рабочих операций.
- Землеройные машины: Применяется на автогрейдерах, мини-погрузчиках и разнообразной дорожностроительной технике для блокировки самопроизвольного перемещения гидроприводов под воздействием внешних сил или потери давления в системе.
- Подъемно-транспортное оборудование: Оптимальное решение для телескопических погрузчиков, подъемных платформ и транспортных роботов, обеспечивающее надежную блокировку гидроцилиндров и контролируемое перемещение для сохранения безопасности при подъеме и транспортировке грузов.


























