MPCA Двусторонний гидрозамок
MPCA Двусторонний гидрозамок
- Универсальная конструкция из модулей позволяет удобно и эффективно встраивать данный гидравлический клапан в различные системы гидравлики
- Может быть гибко настроен для различных требований к рабочему давлению и номинальному расходу гидравлического масла
Варианты модели
| Модель | Давление | Расход |
| Двусторонний гидрозамок MPCA-08 | 210 бар | 30 л/мин |
| Двусторонний гидрозамок MPCA-10 | 210 бар | 60 л/мин |
| Двусторонний гидрозамок MPCA-12 | 210 бар | 100 л/мин |
Технические параметры
| Рабочее давление | 210 бар |
| Номинальный расход | 30/60/100 л/мин |
| Температура гидравлического масла | -30℃~100℃ |
| Приемлемая температура окружающей среды | -20℃~80℃ |
| Материал клапана | Алюминиевый сплав |
| Вязкость гидравлического масла | ISO 20~400 мм²/с |
Кривая производительности
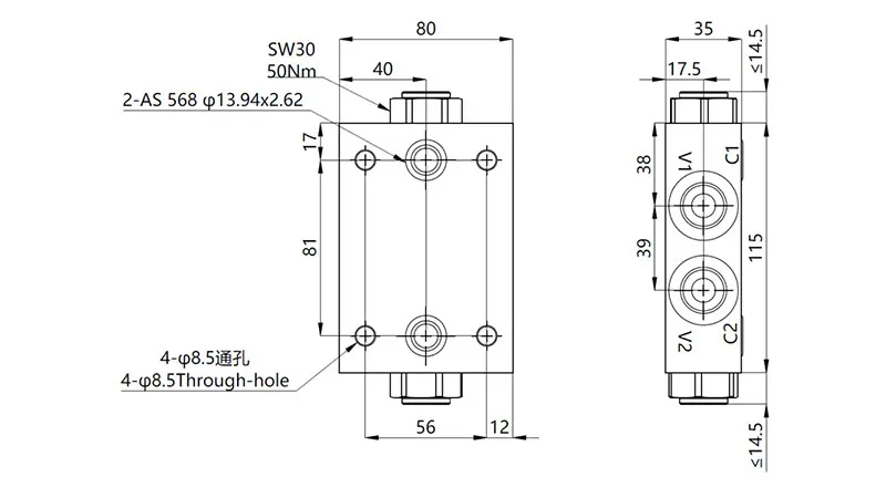
Чертежи монтажных размеров
Варианты применения
Двусторонний пилотный обратный клапан (210 бар) предназначен для гидравлических систем, требующих надежного удержания нагрузки в обоих направлениях, что делает его идеальным решением для цилиндров, которые должны оставаться надежно заблокированными при выдвижении и втягивании. Данный гидравлический клапан обычно используется в:
- Экскаваторы: Устанавливается на отвалы, стрелы и другое навесное оборудование для надежной фиксации цилиндров во время тяжелых производственных задач.
- Землекопная техника: Применяется на автогрейдерах, экскаваторах и в другой дорожно-строительной технике для предотвращения самопроизвольного движения цилиндров, повышая стабильность гидравлики на рабочей площадке.
- Транспортная техника: Подходит для погрузчиков, рабочих платформ и других транспортных средств, обеспечивая надежную блокировку цилиндров и точное управление движением гидравлических систем


























