MPCS Двусторонний гидрозамок
MPCS Двусторонний гидрозамок
- Имеет модульную компактную конструкцию, обеспечивающую безопасное и надежное удержание нагрузки в гидравлических системах
- Доступен в вариантах с различной пропускной способностью, подходящие для монтажных требований различной сложности в различных типах техники
Варианты модели
| Модель | Давление | Расход |
| Двусторонний гидрозамок MPCS-08 | 350 бар | 30 л/мин |
| Двусторонний гидрозамок MPCS-10 | 350 бар | 60 л/мин |
| Двусторонний гидрозамок MPCS-12 | 350 бар | 100 л/мин |
Технические параметры
| Рабочее давление | 350 бар |
| Номинальный расход | 30/60/100 л/мин |
| Температура гидравлического масла | -30℃~100℃ |
| Приемлемая температура окружающей среды | -20℃~80℃ |
| Материал клапана | Сталь |
| Вязкость гидравлического масла | ISO 20~400 мм²/с |
Кривая производительности
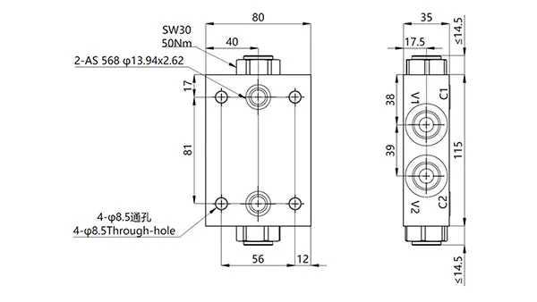
Чертежи монтажных размеров
Варианты применения
Двухсторонний обратный клапан с пилотным управлением (350 бар) предназначен для гидравлических систем, требующих надежного двустороннего удержания нагрузки для безопасной блокировки цилиндров во время выдвижения и втягивания. Обычно используется в:
- Экскаваторах: Устанавливается на отвалы, дополнительные стрелы и навесное оборудование для надежной фиксации цилиндров во время тяжелых операций, обеспечивая безопасную и стабильную работу оборудования.
- Землеройной технике: Применяется на автогрейдерах, экскаваторах-погрузчиках и дорожно-строительной технике для предотвращения самопроизвольного движения цилиндров под воздействием внешних сил или изменений давления в системе, повышая стабильность работы на площадке.
- Машины для перевозки материалов: Подходит для телескопических погрузчиков, подъемных рабочих платформ и автоматических транспортных средств, обеспечивая надежную блокировку цилиндров и точное управление движением для более безопасного и стабильного подъема и позиционирования.


























