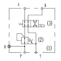
Гидрораспределительный блок быстросъемного крепления инструментов K01
K01 Гидрораспределительный блок быстросъемного крепления инструментов
- Инженерная оптимизация конструкции снижает шум в пилотной магистрали для более плавного функционирования всей гидравлической системы
- Промышленные испытания с подтверждением стойкости к свыше 1 000 000 рабочих циклов гарантируют продолжительную безотказную эксплуатацию
Варианты применения
Клапанный блок быстросъемных соединений находит широкое применение в строительно-дорожной технике, включая экскаваторное и погрузочное оборудование, обеспечивая реконфигурацию гидравлических контуров для сменных рабочих органов. Техническое исполнение с возможностью компенсации давления и функцией его стабилизации создает условия для безопасной, устойчивой и производительной работы при интенсивной смене технологической оснастки.
Технические параметры
| Макс. рабочее давление | 350 бар |
| Номинальный расход | 10 л/мин |
| Напряжение | 14В постоянного тока±15% |
| Температура гидравлического масла | -20℃~80℃ |
| Приемлемая температура окружающей среды | -20℃~80℃ |
| Обработка поверхности | Никелирование |
| Вязкость гидравлического масла | ISO 20~400 мм²/с |




















