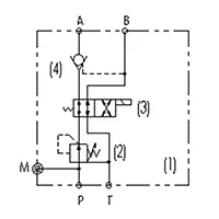
Гидрораспределительный блок быстросъемного крепления инструментов K02
K02 Гидрораспределительный блок быстросъемного крепления инструментов
- Усовершенствованная схема конструкции снижает уровень акустических помех в пилотной магистрали, способствуя бесшумному функционированию
- Блок прошел производственные испытания на устойчивость к свыше 1 000 000 нагрузок с валидацией продолжительной безотказной эксплуатации
Варианты применения
Быстросъемный клапанный блок активно применяется в дорожно-строительной технике (экскаваторы, фронтальные погрузчики), обеспечивая реконфигурацию гидравлических схем для сменных рабочих инструментов. Оснащен системой пьезокомпенсации и функцией стабилизации давления, что создает предпосылки для безопасной, устойчивой и рациональной работы в условиях интенсивной смены технологической оснастки.
Технические параметры
| Макс. рабочее давление | 380 бар |
| Номинальный расход | 10 л/мин |
| Напряжение | 14В постоянного тока±15% |
| Температура гидравлического масла | -20℃~80℃ |
| Приемлемая температура окружающей среды | -20℃~80℃ |
| Обработка поверхности | Никелирование |
| Вязкость гидравлического масла | ISO 20~400 мм²/с |




















