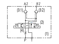
Гидрораспределительный блок быстросъемного крепления инструментов K04
K04 Гидрораспределительный блок быстросъемного крепления инструментов
- Усовершенствованная конструкция снижает уровень шума в пилотной системе для более плавной работы
- Прошел заводские испытания на устойчивость к более чем 1 000 000 рабочих циклов с подтверждением долговечной надежности
Варианты применения
Блок клапанов быстросъемных соединений широко применяется в строительной технике, такой как экскаваторы и погрузчики, поддерживая бесперебойное переключение гидравлических контуров для сменного оборудования. Его универсальная конструкция включает функции компенсации и удержания давления, гарантируя безопасную, стабильную и эффективную работу при частой смене навесных устройств.
Технические параметры
| Макс. рабочее давление | 350 бар |
| Номинальный расход | 20 л/мин |
| Напряжение | 14В постоянного тока±10% |
| Температура гидравлического масла | -20℃~80℃ |
| Приемлемая температура окружающей среды | -20℃~80℃ |
| Обработка поверхности | Никелирование |
| Вязкость гидравлического масла | ISO 20~400 мм²/с |




















