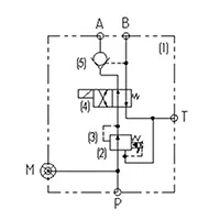
Гидрораспределительный блок быстросъемного крепления инструментов K03
K03 Гидрораспределительный блок быстросъемного крепления инструментов
- Усовершенствованная конструкция снижает шум в управляющей гидролинии, обеспечивая бесшумную и плавную работу
- Высокоточное пропорциональное регулирование минимизирует дроссельные потери, повышая эффективность гидросистемы и общие эксплуатационные показатели
Варианты применения
Блок клапанов быстросъемной системы инструментов находит широкое применение в строительной технике (экскаваторы, погрузчики), обеспечивая коммутацию гидравлических контуров для различного навесного оборудования. Конструкция с компенсацией давления и функцией его поддержания гарантирует безопасную, стабильную и продуктивную работу при многократной смене рабочих органов.
Технические параметры
| Макс. рабочее давление | 380 бар |
| Номинальный расход | 10 л/мин |
| Напряжение | 14В постоянного тока±15% |
| Температура гидравлического масла | -20℃~80℃ |
| Приемлемая температура окружающей среды | -20℃~80℃ |
| Обработка поверхности | Никелирование |
| Вязкость гидравлического масла | ISO 20~400 мм²/с |




















